Kotiin / Uutiset

Uutiset

Lehtiketjujen ostotaidot

Lehtiketjujen ostotaidot

Lehtiketju on monia toimintoja, joten mihin kannattaa kiinnittää huomiota ketjua ostaessa? 1. Ketjun ulkonäkötarkastus: ...

Teollisuuden ketjun huoltoprosessi

Teollisuuden ketjun huoltoprosessi

Puhdistustiheys Teollinen ketju voidaan puhdistaa ajoissa muutaman kuukauden välein, aina kun ketju joutuu kosketuksiin meriveden kan...

Hiljainen ketjutyyppinen pistekäsittelymenetelmä

Hiljainen ketjutyyppinen pistekäsittelymenetelmä

Hiljainen ketju Teräsmateriaalin rakenne, teräsketjun rakenne, kuitenkin vuoroveden ja kosteuden ympäristö tai ympäristö, kuten neste, ...

Moottoripyörän ketjun kaltaisen käytön vakiosääntö

Moottoripyörän ketjun kaltaisen käytön vakiosääntö

Suotuisissa olosuhteissa täysin taloudellinen, täysin järkevä, kaikki a Moottoripyörän ketju käyttöaika, korkea hyötysuhde, itsenäine...

Rullaketjun huoltoa koskevat varotoimet

Rullaketjun huoltoa koskevat varotoimet

Kuinka huoltaa oikein Rullaketju ? Ensinnäkin, älä upota ketjua suoraan vahvoihin happo- ja emäksisiin puhdistusaineisiin, kuten dies...

Vetoketjun huoltovinkkejä

Vetoketjun huoltovinkkejä

Vetoketju on hyvin yleinen nykypäivän teollisessa tuotantoprosessissa, joten kuinka ylläpitää vetoketjua oikein? Vetoketju tu...

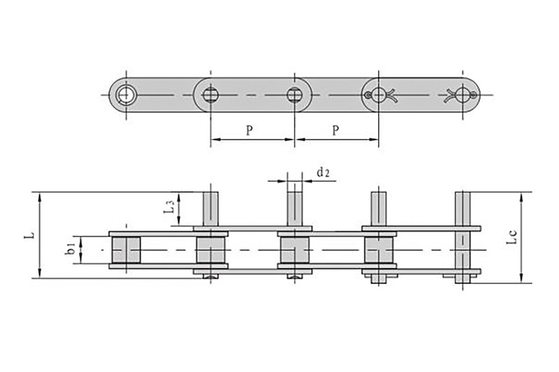
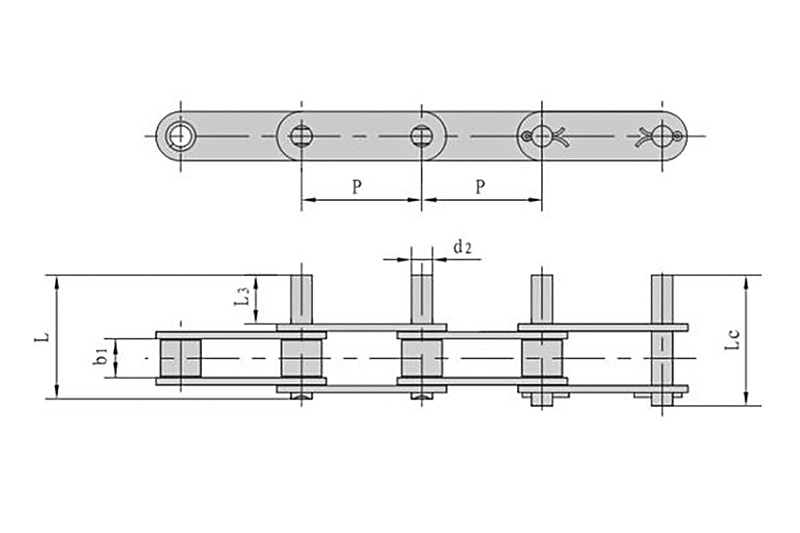
Kuljetinketjun yleiset tekniset tiedot

Kuljetinketjun yleiset tekniset tiedot

Kuljetinketju on jaettu A- ja B-sarjaan. A-sarja on yhdysvaltalaisen ketjustandardin kokovaatimusten mukainen: B-sarja on linjassa kahden eur...

Teollisuuden ketjupyörän valmistaja esittelee valintavaatimukset e-ketjuille

Teollisuuden ketjupyörän valmistaja esittelee valintavaatimukset e-ketjuille

Teollinen hammaspyörä valmistajat muistuttavat, että kaapeleiden ja ilmaputkien, hydrauliputkien määrä, tyyppi ja halkaisija määräävät energi...

Leaf Chain -toimittaja esittelee eron ruostumattoman teräsketjun ja hiiliteräsketjun välillä

Leaf Chain -toimittaja esittelee eron ruostumattoman teräsketjun ja hiiliteräsketjun välillä

Mitä eroa on ruostumattoman teräsketjun ja hiiliteräsketjun välillä? Vastauksena tähän ongelmaan alla Lehtiketju toimittajat jakavat ...

Mitkä ovat teollisuusketjun pääkäytöt?

Mitkä ovat teollisuusketjun pääkäytöt?

Nykyään taajuus ja paikat, joissa Teollinen ketju käytetään teollisessa valmistusteollisuudessa ovat yhä yleisempiä. Näillä ketjuilla...

Varotoimet hiljaisen ketjun suunnittelua ja tuotantoa varten

Varotoimet hiljaisen ketjun suunnittelua ja tuotantoa varten

Tuotantoprosessissa tulee joitain ongelmia Hiljainen ketju . Jos se on suuri ongelma, menetys on suuri, ja on parempi säästää pieniä ...

Moottoripyörän ketjulla on myös oma ainutlaatuinen malli

Moottoripyörän ketjulla on myös oma ainutlaatuinen malli

Kuten moottoriöljy, Moottoripyörän ketju on myös oma malli. Eri ajoneuvovaatimusten mukaan käytettävä ketjumalli tulee olla myös vast...